In
This Issue
• Failsafe
HIGH and LOW Isolators
• Upcoming Tradeshows
Failsafe
HIGH and LOW Passive-Input Isolators
Two Output Options
Our unique passive-input isolators are now available with either HIGH or LOW default
outputs. The new default-LOW "F"-suffix versions are perfect for H-bridge
high-side isolation to prevent shoot-through when the controller starts up or
in the event of controller-side power loss.
The default-HIGH versions are ideal for H-bridge low-side isolation, electronic
fusing, and overload prevention.
Simple Interface
Our unique passive-input isolators allow a variety of inputs and do not require
an input-side power supply:

An external resistor can set the input current, which can be as low as five milliamps.
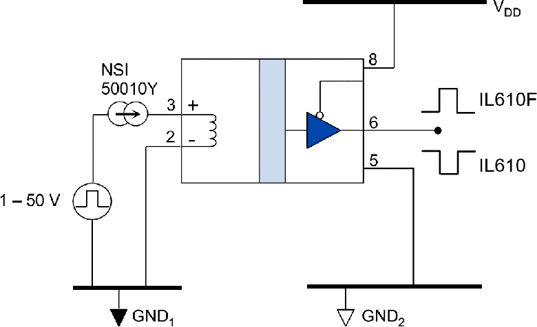
Alternatively, a current regulator can be used to allow an extremely wide input voltage
range:
Ultraminiature MSOP
Parts are available in 3 mm by 3 mm MSOP-8 packages, which are the worlds
smallest isolators.
Unique Technology
The devices are manufactured with NVEs award-winning IsoLoop®
spintronic GMR technology for compact size, high speed, and excellent noise immunity.
A unique ceramic/polymer composite barrier provides rugged isolation and virtually
unlimited barrier life.
Available Now
Two new models are in stock and available for immediate delivery:
Here we demonstrate these unique parts:
Download the datasheet
»
Ultrahigh CMTI Versions Coming Soon
Ultrahigh CMTI failsafe-LOW versions will be coming soon. These versions will
be ideal for driving high-side FETs in high-performance H-Bridges and other energy
conversion applications. The high
CMTI grade is 100% tested to ensure each part delivers a minimum of 200 kV/µs
minimum Common-Mode Transient Immunity (CMTI). Simple external deglitch circuitry
can extend the CMTI to an extraordinary 350 kV/µs typical. Failsafe-LOW
ensures no shoot-through in FET driver applications. These parts also have an
extended supply range of up to 6.6 volts to directly drive a variety of power
FETs or gate driver ICs.
Upcoming
Tradeshows
NVE
distributor Angst+Pfister will exhibit at Hydrogen Technology World Expo,
October 21 to 23 in Hamburg. NVE components are used for energy conversion, control
units, and industrial plant controls.
NVE
will exhibit at MD&M Midwest, October 21 and 22 at the Minneapolis
Convention Center. It's billed as the largest event of its kind in the Midwest.
NVE has decades of experience with medical instruments, surgical robots, and medical
devices, including life-sustaining applications. |
|